


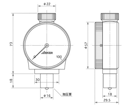
日本ASKER橡胶硬度计C1L型,应用于软橡胶、海绵等产品的硬度测量;C1L型橡胶硬度计(邵氏),主要应用于软质橡胶、海绵、以及其他发泡体的硬度测试,同时也应用于测试绕线、胶片、布料等产品的硬度。
177-2781-6361
日本ASKER橡胶硬度计C1L型,应用于软橡胶、海绵等产品的硬度测量;C1L型橡胶硬度计(邵氏),主要应用于软质橡胶、海绵、以及其他发泡体的硬度测试,同时也应用于测试绕线、胶片、布料等产品的硬度。
日本ASKER橡胶硬度计C1L型
邵氏硬度计
压针
测针:高 2.54mm的半球形压针
规格选择图
图所示为橡胶硬度计的种类图, 根据试样的种类设计不同的硬度计. 符合 JIS K 6253标准的A型橡胶硬度计是最普遍最常用的一款.但是通常情况下,测量值在10点~90点之间,使用A型硬度计,A90点以上时使用D型硬度计(硬质材料使用),A20点以下时使用C型或E型硬度计(软质材料使用)。就是说,根据试料的种类选择合适的机型最重要。
|
符合标准 |
JIS K 7312 JIS S6050 |
|
测量刻度 |
0点 ~100 点 (262° 刻度) |
|
最小刻度 |
1 点 ( 审定精度 ±1点) |
|
押针形状mm |
高 2.54mm直径 φ5.08半球形 |
|
弹簧荷重mN (g) |
0 点 539 (55) 100 点 8379( 855) |
|
加压面中心孔 mm |
Φ5.5 |
|
加压面尺寸 mm |
44×18 (长方形) |
|
外形尺寸 mm |
约 宽57× 厚 30× 高94 |
|
重量g |
200 |
|
用途 |
软橡胶、聚氨酯泡沫塑料、海绵、绕线、胶片 、瓷土 、鞋料 |
松本机电提供选型服务,1000多种产品型号,可根据客户机械设备量身定制主轴及工量具专属 解决方案。
松本机电拥有完整服务链,自主团队可上门为您安装调试,并且随时提供电话支持及现场解答。
松本机电自有技术维修团队,可提供上门维修服务,维修速度快,为您节省3倍的维修时间,让您售后无忧。
松本机电选用NAKANISHI品牌,10年专注主轴、工量具领域,品牌授权,原厂证明、报关清单、原产地证明,三证齐全,原装正品保障。
松本机电通过持续不断的国际技术交流,层层攻克技术难题,自有工程师团队,具备设计及开发能力和自动化整合的技术。